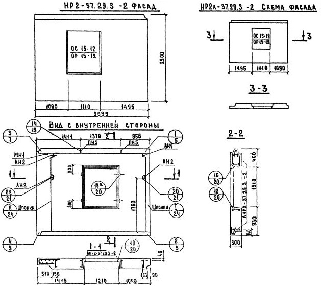
НР2-37.29.3-2

Чертеж изделия:
Чертеж НР2-37.29.3-2
Характеристики изделия:
ПараметрЗначение
Длина3695 мм
Ширина300 мм
Высота2900 мм
Масса3600 кг
Нормативный документСерия 1.132-2

НР2-37.29.3-2    Наружная стеновая панель рядовая по Серии 1.132-2.